Rushton turbine

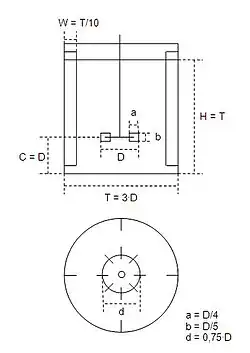
The Rushton turbine or Rushton disc turbine is a radial flow impeller used for many mixing applications (commonly for gas dispersion applications) in process engineering and was invented by John Henry Rushton.[1] The design is based on a flat horizontal disk, with flat, vertically mounted blades.[2] Recent innovations include the use of concave or semi-circular blades.[3]
References
- ^ Wankat, Phillip C.; Peppas, Nicholas A. "4". 100 Years of Chemical Engineering at Purdue University, 1911-2011 (PDF). Purdue University: Department of Chemical Engineering. p. 100.
- ^ Oldshue, James (1983). Fluid Mixing Technology. New York: McGraw Hill.
- ^ NOV. "Chemineerâ„¢ BT-6 Gas Dispersion Impeller bulletin". chemineer.com. NOV. Retrieved 2 July 2021.